- Белый шамот
- Черный шамот
-
Cрок рассрочки6/24
-
Минимальный платеж362
-
Сумма переплаты977
Доставка - по всей РБ
Серия DEFRO HOME INTRA была создана с учетом гармонии между экологией, дизайном и экономичностью. Каминные топки серии DEFRO HOME INTRA идеально подходят для рекреационного горения и с успехом отапливают весь дом. Современный дизайн и герметичный очаг позволяют использовать его возможности в пассивных и рекуперационных домах. Собственные решения гарантируют энергосбережение и безотказную работу устройства.
Серия доступна в четырех вариантах, в зависимости от размера очага:
XSM, SM, ME, LA.
|
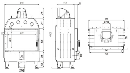
Высота стекла, мм
|
500 |
|
Высота
|
1406 |
|
Ширина
|
816 |
|
Глубина
|
521 |
|
Вес
|
235 |
|
Колосник
|
есть |
|
Ширина, мм
|
801-900 |
|
Конструкция
|
Современная топка |
|
Объем отопления
|
301-350 м3 |
|
Площадь отопления
|
130 м2 |
|
Диаметр дымохода
|
200 мм |
|
Открытие дверцы
|
В сторону |
|
Подвод воздуха извне
|
есть 125 мм |
|
Подключение
|
В сторону, вверх |
|
Гарантия, лет (год)
|
5 |
|
Страна производства
|
Польша |
|
Материал корпуса
|
Сталь |
|
Материал топки
|
Шамот |
|
Мощность, кВт
|
13 |
|
КПД, %
|
80 |
|
Температура газов, градусов
|
261 |
|
Расход топлива, кг/час
|
3,5 |
|
Зольный ящик
|
Есть |
|
Вторичный дожиг
|
Есть |
|
Чистое стекло
|
Есть |
|
Ширина стекла, мм
|
740 |
|
Наличие
|
В наличии |
Способы оплаты
Произвести оплату можно пятью способами:
- Наличный платеж – при доставке курьером или при самовывозе;
- Банковской картой – физического лица;
- На сайте – с помощью онлайн платежа;
- Безналичный платеж – заполните свои реквизиты в корзине (или вышлите нам), и мы пришлем расчет;
- Картой рассрочки - «Магнит», «Карта покупок», «Smart».
Доставка
У нас доступна собственная курьерская доставка.
Доставка по Минску (в пределах 20 км от МКАД):
| Сумма заказа (Byn) | Стоимость доставки (Byn) |
| 500 и выше | Бесплатно |
| До 500 | 5 |
| До 250 | 6 |
| До 100 | 7 |
Доставка по областям Беларуси (Гродно, Брест, Могилев, Гомель, Витебск) – стоимость рассчитывается индивидуально.
Доставка осуществляется в Пн-Пт. с 10.00 до 16.00. Товары заказанные на выходных, привозятся в понедельник в удобное для вас время.
Самовывоз
Также вы можете осуществить самовывоз по адресу нашего магазина по адресу: г. Минск, ул. Матусевича, 58.
Время работы магазина: Пн-пт. с 10-00 до 19-00 сб с 10-до 17-00 вс- выходной.
ПОРЯДОК ВОЗВРАТА ТОВАРА
Порядок возврата Товара ненадлежащего качества:
1) Отличие элементов дизайна или оформления от заявленных в описании на Сайте не является неисправностью или ненадлежащим качеством Товара.
2) В случае получения Покупателем Товара ненадлежащего качества Покупатель вправе вернуть Товар службе доставки и не оплачивать стоимость Товара и его доставку.
3) Покупатель, которому передан Товар ненадлежащего качества, если это не было оговорено Продавцом, вправе по своему выбору потребовать:
- • соразмерного уменьшения покупной цены;
- • замены Товара на аналогичный при условии, что он есть у Продавца или на другой Товар с соответствующим перерасчетом покупной цены;
- • безвозмездного устранения недостатков Товара или возмещения расходов на их исправление Покупателем или третьим лицом.
Покупатель вместо предъявления указанных выше требований, вправе отказаться от исполнения Договора и потребовать возврата уплаченных за Товар денежных средств.
Порядок возврата Товара надлежащего качества:
1. Возврат Товара возможен в течение 14 (четырнадцати) дней со дня его передачи Покупателю на основании письменного заявления последнего.
2. Возврат Товара надлежащего качества возможен при условии, если:
- • Товар не был в употреблении,
- • находится в полной комплектации,
- • сохранены его товарный вид, потребительские свойства, оригинальная упаковка, ярлыки, бирки, а также документ, подтверждающий факт и условия покупки указанного Товара.
- • товар не включен в Перечень непродовольственных товаров надлежащего качества, не подлежащих обмену и возврату, утвержденный постановлением Совмином от 14.01.2009 № 26;
Товар, который делиться (отрезается, откручивается) от цельной заводской упаковки (рулон, секции радиаторов, бухта и т.д.) по заказу клиента, принятый и оплаченный клиентом, обмену и возврату не подлежит.
К сожалению, в случае несоблюдения хотя бы одного из этих условий, мы не можем обеспечить замену товара или возврат денег.
Кроме того, при возврате товара надлежащего качества, покупатель осуществляет его доставку в офис нашей компании самостоятельно и за свой счет.
Сумма выплаты за возвращаемый товар надлежащего качества равна сумме уплаченной при покупке данного товара за исключением расходов продавца на доставку (согласно акта перевозчика).
Взаимодействие между продавцом и покупателем регламентируется законодательством Республики Беларусь.
Если товар был оплачен банковской картой через сайт, то возврат осуществляется на карту, с которой была произведена оплата. Срок поступления денежных средств на карту - от 3 до 30 дней с момента осуществления возврата Продавцом.
Товар, приобретаемый под заказ, а также с индивидуальными характеристиками (цвет, размер и др. потребительские свойства) обмену и возврату не подлежит.
Возврат товаров осуществляется по адресу ул. Матусевича 58
В соответствии с Постановлением Совета Министров Республики Беларусь 14.06.2002 № 778 (в редакции постановления Совета Министров Республики Беларусь 14.01.2009 № 26): "Бытовое газовое оборудование и устройства, иные товары с питанием от сети переменного тока, на которые установлены гарантийные сроки не подлежат обмену и возврату."
Кредит и рассрочка
Данное предложение действует для брендов: THORMA, ROMOTOP, JOTUL.
В нашем магазине вы можете купить товар с помощью РРБ-Банка:
- Рассрочка - на 6 месяцев под 0,001% годовых.
- Кредит - на 12 месяцев под 18,27% годовых
Подробные условия находятся по ссылке.
Карты рассрочки
Приобрести любой товар в нашем магазине можно следующими картами рассрочки:
- Карта покупок;
- Магнит;
- Smart;
- Карта Fun.
За получением развернутой информации обращайтесь в наш магазин!
